公司动态NEWS
HL柱销联轴器

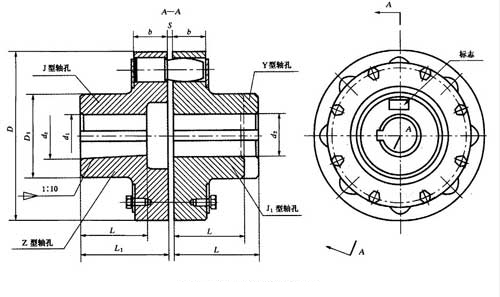
HL柱销联轴器是利用若干非金属弹性材料(一般用尼龙6)制成的柱销,置于两半联轴器凸缘孔中,通过柱销实现两半联轴器联接。结构简单、合理,维修方便、两面对称可互换,寿命长,允许较大的轴向窜动,具有缓冲、减震、等性能。容易制造,装拆换弹性元件比较方便,不用移动两半联轴器。弹性元件(柱销)有微量补偿两轴线偏移能力,弹性件工作时受剪切,工作性,仅适用于要求很低的中速传动轴系,不适用于工作性要求较高的工况。适用于各种机械联接两同轴线的传动轴,通常用于动频繁的高低速运动。工作温度为-20~+80℃;传递公称转矩为250~180000N.m,许用转速为8500~950r/min。轴孔型式有圆柱形(Y)、圆锥形(Z)和短圆柱形(J)。轴孔和键槽按标准GB3852-83《联轴器轴柱和键槽形式及尺寸》的规定加工。
弹性柱销联轴器利用尼龙柱销将两半联轴器联接起来,为了防止柱销滑出,在柱销两端配置挡板。结构简单,换柱销方便,它对偏移量的补偿不大,其应用与弹性套柱销联轴器类似。结构:可以看成为弹性圈柱销联轴器简化而成。即采用尼龙柱销代替弹性圈和金属柱销。为了防止柱销滑出,在柱销两端配置挡圈,结构尺寸紧凑,使用寿命长,用于冲击不大,经常正反转的中低速及转矩较大的轴。安装、制造方便,性好,也有吸振和补偿轴向位移的能力。常用于轴向窜动量较大,经常正反转,起动频繁,转速较高的场合。在有阻尼的受迫振动中,经联轴器传递振动扭矩的振幅,主要与动力放大系数和转动惯量时,可以减小振动扭矩的振幅。反之,对减小振动扭矩振幅的作用不大。动力放大系数对振动扭矩振幅的影响,与阻尼系数、扰动扭矩的变化频率及轴系固有频率的比值等有关。当阻尼系数 时,振动扭矩的振幅仅与轴系的固定频率有关,即与联轴器的刚度有关。

| 型号 | 公称扭矩Tn(N.m) | 许用转速[n]r/min | 轴孔直径d1d2dz | 轴孔配合长度 | D | S | 转动惯量Kg.m 2 | 重量Kg | ||||
| Y型 | Z、J 1 、 Z型 | |||||||||||
| L | L 1 | L | ||||||||||
| 铁 | 铁 | 钢 | 铁 | |||||||||
| HL1 | 160 | 7100 | 12 14 | 12 14 | 32 | 27 | 32 | 90 | 2.5 | 0.0064 | 2 | |
| 16 18 | 16 18 | 42 | 30 | 42 | ||||||||
| 19 | 19 | |||||||||||
| 20 22 | 20 22 | 52 | 38 | 52 | ||||||||
| 24 | ||||||||||||
| HL2 | 315 | 5600 | 20 22 | 20 22 | 52 | 38 | 52 | 120 | 2.5 | 0.253 | 5 | |
| 24 | 24 | |||||||||||
| 25 28 | 25 28 | 62 | 44 | 62 | ||||||||
| 30 32 | 30 32 | 82 | 60 | 82 | ||||||||
| 35 | ||||||||||||
| HL3 | 630 | 5000 | 30 32 | 30 32 | 82 | 60 | 82 | 160 | 2.5 | 0.6 | 8 | |
| 35 38 | 35 38 | |||||||||||
| 40 42 | 40 42 | 112 | 84 | 112 | ||||||||
| 45 48 | ||||||||||||
| HL4 | 1250 | 4000 | 2800 | 40 42 | 40 42 | 112 | 84 | 112 | 195 | 3 | 3.4 | 22 |
| 45 48 | 45 48 | |||||||||||
| 50 55 | 50 55 | |||||||||||
| 56 | 56 | |||||||||||
| 60 63 | 142 | 107 | 142 | |||||||||
| HL5 | 2000 | 3550 | 2500 | 50 55 | 50 55 | 112 | 84 | 112 | 220 | 3 | 5.4 | 30 |
| 56 | 56 | |||||||||||
| 60 63 | 60 63 | 142 | 107 | 142 | ||||||||
| 65 67 | 65 67 | |||||||||||
| 71 75 | ||||||||||||
| HL6 | 3150 | 2800 | 2100 | 60 63 | 60 63 | 142 | 107 | 142 | 280 | 4 | 15.6 | 53 |
| 65 70 | 65 70 | |||||||||||
| 71 75 | 71 75 | |||||||||||
| 80 | 80 | |||||||||||
| 85 | 172 | 132 | 172 | |||||||||
| HL7 | 6300 | 2240 | 1700 | 70 71 | 70 71 | 142 | 107 | 142 | 320 | 4 | 41.1 | 98 |
| 75 | 75 | |||||||||||
| 80 85 | 80 85 | 172 | 132 | 172 | ||||||||
| 90 95 | 90 95 | |||||||||||
| 100 110 | 100 | 212 | 167 | 212 | ||||||||
| HL8 | 10000 | 2120 | 1600 | 80 85 | 80 85 | 172 | 132 | 172 | 360 | 5 | 56.5 | 119 |
| 90 95 | 90 95 | |||||||||||
| 100 110 | 100 110 | 212 | 167 | 212 | ||||||||
| 120 125 | ||||||||||||
| HL9 | 16000 | 1800 | 1250 | 100 110 | 100 110 | 212 | 167 | 212 | 410 | 5 | 133.3 | 197 |
| 120 125 | 120 125 | |||||||||||
| 130 140 | 130 | 252 | 202 | 252 | ||||||||
| HL10 | 25000 | 1560 | 1120 | 110 120 | 110 120 | 212 | 167 | 212 | 480 | 6 | 273.2 | 322 |
| 125 | 125 | |||||||||||
| 130 140 | 130 140 | 252 | 202 | 252 | ||||||||
| 150 | 150 | |||||||||||
| 160 170 | 160 | 302 | 242 | 302 | ||||||||
| 180 | ||||||||||||
| HL11 | 31500 | 1320 | 1000 | 130 140 | 130 140 | 252 | 202 | 252 | 540 | 6 | 555.7 | 520 |
| 150 | 150 | |||||||||||
| 160 170 | 160 170 | 302 | 242 | 302 | ||||||||
| 180 | 180 | |||||||||||
| 190 200 | 190 | 352 | 282 | 352 | ||||||||
| 220 | ||||||||||||
| HL12 | 63000 | 1250 | 950 | 160 170 | 160 170 | 302 | 242 | 302 | 630 | 7 | 902 | 714 |
| 180 | 180 | |||||||||||
| 190 200 | 190 200 | 352 | 282 | 352 | ||||||||
| 220 | 220 | |||||||||||
| 240 250 | 410 | 330 | - | |||||||||
| 260 | ||||||||||||
| HL13 | 100000 | 1120 | 850 | 190 200 | 190 200 | 352 | 282 | 352 | 710 | 8 | 1700 | 1057 |
| 220 | 220 | |||||||||||
| 240 250 | 240 250 | 410 | 330 | - | ||||||||
| 260 | 260 | |||||||||||
| 280 300 | 470 | 380 | - | |||||||||
| HL14 | 160000 | 850 | 630 | 240 250 | 240 250 | 410 | 330 | - | 800 | 8 | 4318 | 1956 |


